Bồn Cầu 1 Khối COTTO Xả Nhấn: Thiết Kế Hiện Đại, Vận Hành Mạnh Mẽ Và Tiết Kiệm Tối Ưu
Bạn đang tìm kiếm một thiết bị không chỉ mang lại vẻ đẹp đẳng cấp cho phòng tắm mà còn phải đảm bảo khả năng xả rửa mạnh mẽ và siêu tiết kiệm nước? Bồn cầu COTTO C105337 chính là sự lựa chọn hoàn hảo đến từ thương hiệu thiết bị vệ sinh uy tín hàng đầu Thái Lan, kết hợp giữa lối thiết kế thân kín tinh tế và công nghệ dòng chảy tiên tiến, mang lại trải nghiệm vệ sinh thư giãn và an tâm bậc nhất.
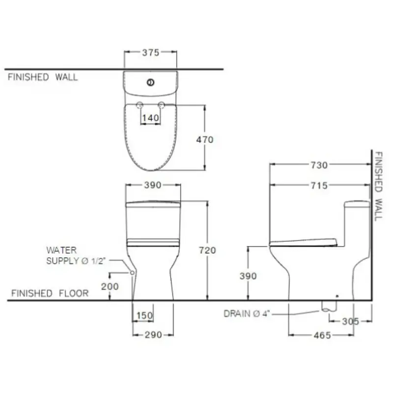
Thông Số Kỹ Thuật Chi Tiết Của Bồn Cầu Cotto C105337:
- Tên sản phẩm: Bồn cầu Cotto C105337.
- Model: C105337.
- Chất liệu: Sứ cao cấp.
- Bề mặt: Công nghệ Men Hygienic và Ultra Clean.
- Kích thước: 730 x 390 x 720 mm (Xem chi tiết ở phần hướng dẫn lắp đặt).
- Thiết kế: Sang trọng, hiện đại.
- Nắp bồn cấu: Nắp êm.
- Áp lực nước: 0.05 MPa ~ 0.75 MPa.
- Hệ thống xả: Thẳng kết hợp xả xoáy.
- Kiểu xả: 2 nút nhấn 3L/4.8L.
- Tâm thoát: 305 mm.
- Lắp đặt: Sàn.

Bồn cầu COTTO C105337 1 khối xả nhấn
Xuất Xứ Cotto C105337:
- Thương hiệu: Cotto.
- Công nghệ: Thái Lan.
- Phân phối: Pimisi.
Ưu Điểm Nổi Bật Của Bồn Cầu Cotto 1 Khối C105337:
- Thiết kế một khối thống nhất: Phần thân và két nước đúc liền khối giúp loại bỏ các khe hở, tạo nên diện mạo sang trọng, hiện đại và giúp việc vệ sinh trở nên dễ dàng hơn bao giờ hết.
- Sứ vệ sinh kháng khuẩn – Lớp men siêu mịn: Bồn cầu Cotto 1 khối ứng dụng công nghệ men độc quyền giúp bề mặt luôn sáng bóng, ngăn ngừa sự tích tụ của vi khuẩn, nấm mốc và hạn chế tối đa mảng bám.
- Hệ thống xả nhấn 2 nút linh hoạt: Cho phép người dùng lựa chọn mức xả đại hoặc xả tiểu phù hợp, giúp quản lý nguồn nước hiệu quả mà vẫn đảm bảo cuốn trôi mọi vết bẩn chỉ trong một lần nhấn.
- Công nghệ xả Siphon/Tornado mạnh mẽ: Tạo ra dòng xoáy cực mạnh bao phủ toàn bộ lòng bồn cầu, giúp làm sạch triệt để nhưng vẫn vận hành cực kỳ êm ái, không gây tiếng ồn khó chịu.
- Tùy chọn nắp đóng đa dạng, bền bỉ: Hệ thống nắp bồn cầu được chế tác từ nhựa cao cấp (như PP hoặc UF), thiết kế vừa vặn và chắc chắn giúp bảo vệ bề mặt sứ, mang lại sự thoải mái và yên tâm trong suốt quá trình sử dụng lâu dài.
Lợi Ích Thực Tế Khi Sở Hữu Bồn Cầu Cotto C105337 Xả Nhấn:
- Thẩm mỹ đẳng cấp: Bồn cầu 1 khối nâng tầm không gian phòng tắm thêm phần sang trọng và tinh tế.
- Vệ sinh siêu tốc: Thiết kế ít góc khuất giúp việc lau chùi toàn bộ bồn cầu nhanh chóng và nhàn nhã.
- Tiết kiệm nước: Hệ thống xả 2 nhấn giúp cắt giảm hóa đơn tiền nước hàng tháng đáng kể.
- An toàn sức khỏe: Lớp men kháng khuẩn bảo vệ gia đình khỏi các tác nhân gây hại từ vi khuẩn.
- Vận hành êm ái: Phù hợp cho các căn hộ có phòng tắm gần phòng ngủ, không gây thức giấc cho người xung quanh.
- Bền bỉ vĩnh cửu: Chất lượng sứ chuẩn Thái Lan đảm bảo sản phẩm không bị ố vàng hay nứt vỡ theo thời gian.
- Lắp đặt dễ dàng: Thiết kế đơn khối giúp quá trình lắp đặt và thay thế trở nên đơn giản, chắc chắn hơn.
Hướng Dẫn Lắp Đặt Bàn Cầu Chống Bám Bẩn Cotto C105337:
- Bạn nên tham khảo kỹ kích thước chi tiết trước khi đặt hàng, để quá trình lắp đặt dễ dàng, đúng với thiết kế (xem chi tiết ở phần hình ảnh).
- Mọi thông số kỹ thuật bàn cầu chống bám bẩn Cotto C105337 mang tính khách quan có thể có sai số của công cụ đo lường.

Hướng Dẫn Lắp Đặt Bàn Cầu Chống Bám Bẩn Cotto C105337
+ Bạn chưa biết bồn cầu Cotto C105337 có phù hợp với phòng tắm nhà Bạn và có dễ lắp đặt không?
+ Bạn yên tâm nhé!
+ Đội ngũ của shop luôn sẵn sàng hỗ trợ bạn.
Báo Giá Bồn Cầu Liền Khối C105337 Chính Hãng Ở Đâu Rẻ Nhất – Tốt Nhất?
- Chúng tôi là đơn vị phân phối chính hãng sản phẩm bồn cầu Cotto C105337 nói riêng và phân phối thiết bị nhà tắm COTTO nói chung tại Hà Nội (HN) và các tỉnh lân cận.
- Luôn có sự kết hợp chặt chẽ giữa khách hàng, nhà máy sản xuất, cùng các phòng ban khác để đưa ra các sản phẩm phù hợp, ghi nhận ý kiến từ người dùng để tăng thêm trải nghiệm ngày càng tốt hơn.
- Luôn có chính sách mua hàng – giao hàng – bảo trì tối ưu và hợp lý nhất đến tay khách hàng, đảm bảo mọi quyền lợi cho các bên.
- Để đáp lại sự tin tưởng, cũng như ủng hộ của Quý Khách Hàng, bên mình cũng đưa ra các chương trình khuyến mại với giá bồn cầu liền khối C105337 ưu đãi, tri ân khách hàng đã và sắp tới ủng hộ công ty, cùng xây dựng thương hiệu uy tín trong lòng Quý Khách Hàng.
- Đến với bên mình khách hàng dễ dàng đặt niềm tin bền vững, khi bên mình có địa chỉ showroom rõ ràng hoạt động gần 15 năm, phục vụ hàng triệu khách hàng từ hộ gia đình đến các công ty xây dựng.
- Với niềm tin đó bên mình đưa đến tay người tiêu dùng xí bệt cho WC tiết kiệm tinh tế Cotto C105337 chính hãng mang thương hiệu Thái Lan với giá hợp lý nhất, giá rẻ nhất.
- Cuối cùng nhưng không kém phần quan trọng, nếu Bạn có bất kỳ câu hỏi nào, vui lòng liên hệ với Pimisi, Pimisi luôn sẵn lòng phục vụ Bạn.








