Vòi Sen Tắm TOTO Nóng Lạnh: Công Nghệ Kiểm Soát Nhiệt Độ Chính Xác và Trải Nghiệm Tắm Thư Giãn Hoàn Hảo
Bạn đang tìm kiếm một hệ thống sen tắm không chỉ mang lại vẻ đẹp hiện đại cho phòng tắm mà còn phải đảm bảo an toàn tuyệt đối về nhiệt độ và tiết kiệm nước? Vòi sen tắm Toto TBG04302VA/TBW02006V đến từ thương hiệu thiết bị vệ sinh uy tín Nhật Bản là sự lựa chọn đẳng cấp, kết hợp giữa thiết kế tinh tế và các công nghệ dòng chảy tiên tiến, mang lại cảm giác thư giãn như đang ở spa ngay tại nhà.
Thông Số Kỹ Thuật Chi Tiết Của Vòi Sen Tắm Toto TBG04302VA/TBW02006V:
- Tên sản phẩm: Vòi sen tắm Toto TBG04302VA/TBW02006V.
- Model: TBG04302VA/TBW02006V.
- Chất liệu: Đồng thau.
- Bề mặt: Sáng bóng.
- Bảo hành: Chính hãng Toto.
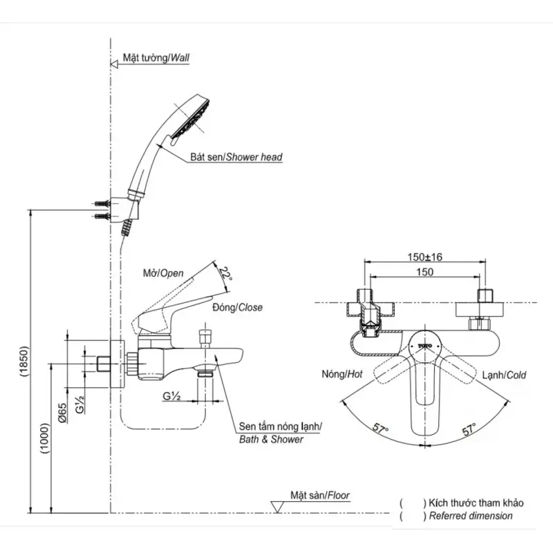
- Kích thước: (Xem chi tiết ở phần hướng dẫn lắp đặt).
- Lõi van: Sứ.
- Bộ sưu tập: GA.
- Áp lực nước: 0.05MPa ~ 0.75MPa.
- Bát sen: Massage 5 chế độ.
- Lắp đặt: Gắn tường.

Vòi sen tắm TOTO TBG04302VA/TBW02006V nóng lạnh
Xuất Xứ Toto TBG01302VA + TBW02006V:
- Thương hiệu: Toto.
- Công nghệ: Nhật Bản.
- Phân phối: Pimisi.
Ưu Điểm Nổi Bật Của Sen Tắm Nóng Lạnh Toto TBG04302VA/TBW02006V:
- Thiết Kế Tay Gạt Gật Gù Linh Hoạt: Sử dụng tay gạt gật gù truyền thống. Bạn có thể dễ dàng điều chỉnh lưu lượng nước và nhiệt độ chỉ bằng một thao tác gạt lên-xuống hoặc trái-phải, mang lại sự tiện lợi và quen thuộc khi sử dụng.
- Lớp Mạ Niken-Crom Sáng Bóng Bền Vững: Công nghệ mạ tiên tiến giúp lớp vỏ ngoài luôn sáng bóng như gương. Lớp mạ này cực kỳ bền, giúp ngăn ngừa tình trạng bong tróc, xỉn màu và bảo vệ thân đồng bên trong khỏi các tác nhân ăn mòn trong môi trường ẩm ướt.
- Lõi Van Đĩa Sứ Siêu Bền: Trái tim của vòi sen là bộ phận điều khiển bằng đĩa sứ cao cấp. Đĩa sứ giúp vòi vận hành êm ái, nhẹ nhàng và có khả năng chịu được áp lực nước lớn, ngăn chặn hoàn toàn tình trạng rò rỉ nước gây lãng phí.
- Công Nghệ Tay Sen Tiết Kiệm Nước: Dù không phải dòng sen nhiệt độ, tay sen đi kèm vẫn thường tích hợp các lỗ phun thiết kế thông minh. Công nghệ này giúp tăng áp lực dòng chảy nhưng vẫn tiết kiệm lượng nước tiêu thụ, mang lại cảm giác tắm sảng khoái mà vẫn kinh tế.
- Thân Vòi Bằng Đồng Thau An Toàn: Thân vòi sen tắm nóng lạnh Toto TBG04302VA/TBW02006V được đúc từ đồng thau với hàm lượng chì cực thấp theo tiêu chuẩn Nhật Bản. Điều này giúp đảm bảo an toàn cho nguồn nước, không gây nhiễm độc chì và tăng cường độ bền cơ học cho sản phẩm.
Lợi Ích Thiết Thực Khi Sở Hữu Vòi Hoa Sen Đồng Thau Toto TBG04302VA/TBW02006V:
- Dễ Dàng Sử Dụng: Thao tác tay gạt đơn giản giúp cho sen tắm nóng lạnh ToTo phù hợp với mọi đối tượng người dùng từ trẻ em đến người lớn tuổi.
- Chi Phí Đầu Tư Hợp Lý: Có mức giá tiết kiệm hơn so với dòng sen nhiệt độ, nhưng vẫn đảm bảo đầy đủ các tiêu chuẩn chất lượng và thẩm mỹ khắt khe.
- Độ Bền Vượt Thời Gian: Kết cấu chắc chắn và chất liệu cao cấp giúp sản phẩm ít hỏng hóc vặt, tiết kiệm chi phí sửa chữa hoặc thay thế lâu dài.
- Dễ Dàng Vệ Sinh: Bề mặt trơn láng và lớp mạ chống bám bẩn giúp bạn chỉ cần lau chùi nhẹ nhàng là vòi sen lại sáng bóng như mới.
- Lắp Đặt Và Thay Thế Đơn Giản: Kích thước chân sen tiêu chuẩn giúp việc lắp đặt mới hoặc thay thế các loại vòi cũ trở nên cực kỳ nhanh chóng và dễ dàng.
Hướng Dẫn Lắp Đặt Sen Tắm Toto TBG04302VA/TBW02006V Sáng Bóng:
- Bạn nên tham khảo kỹ kích thước chi tiết trước khi đặt hàng, để quá trình lắp đặt dễ dàng, đúng với thiết kế (xem chi tiết ở phần hình ảnh).
- Mọi thông số kỹ thuật của sen tắm Toto TBG04302VA/TBW02006V sáng bóng mang tính khách quan có thể có sai số của công cụ đo lường.

Hướng Dẫn Lắp Đặt Sen Tắm Toto TBG04302VA/TBW02006V Sáng Bóng
+ Bạn chưa biết vòi sen tắm Toto TBG04302VA/TBW02006V có phù hợp với phòng tắm nhà Bạn và có dễ lắp đặt không?
+ Bạn yên tâm nhé!
+ Đội ngũ của shop luôn sẵn sàng hỗ trợ bạn.
Báo Giá Bộ Vòi Hoa Sen Toto TBG04302VA/TBW02006V Lõi Van Bền Bỉ Chính Hãng Ở Đâu Rẻ Nhất – Tốt Nhất?
- Chúng tôi là đơn vị phân phối chính hãng sản phẩm vòi sen tắm Toto TBG04302VA/TBW02006V nói riêng và phân phối thiết bị nhà tắm TOTO nói chung tại Hà Nội (HN) và các tỉnh lân cận.
- Luôn có sự kết hợp chặt chẽ giữa khách hàng, nhà máy sản xuất, cùng các phòng ban khác để đưa ra các sản phẩm phù hợp, ghi nhận ý kiến từ người dùng để tăng thêm trải nghiệm ngày càng tốt hơn.
- Luôn có chính sách mua hàng – giao hàng – bảo trì tối ưu và hợp lý nhất đến vòi khách hàng, đảm bảo mọi quyền lợi cho các bên.
- Để đáp lại sự tin tưởng, cũng như ủng hộ của Quý Khách Hàng, bên mình cũng đưa ra các chương trình khuyến mại với giá bộ vòi hoa sen Toto TBG04302VA/TBW02006V lõi van bền bỉ ưu đãi, tri ân khách hàng đã và sắp tới ủng hộ công ty, cùng xây dựng thương hiệu uy tín trong lòng Quý Khách Hàng.
- Đến với bên mình khách hàng dễ dàng đặt niềm tin bền vững, khi bên mình có địa chỉ showroom rõ ràng hoạt động gần 15 năm, phục vụ hàng triệu khách hàng từ hộ gia đình đến các công ty xây dựng.
- Với niềm tin đó bên mình đưa đến với người tiêu dùng vòi sen nóng lạnh mạ crom/niken sáng bóng Toto TBG04302VA/TBW02006V chính hãng mang thương hiệu Nhật Bản với giá hợp lý nhất, giá rẻ nhất.
- Cuối cùng nhưng không kém phần quan trọng, nếu Bạn có bất kỳ câu hỏi nào, vui lòng liên hệ với Pimisi, Pimisi luôn sẵn lòng phục vụ Bạn.










