Bản lề inox Hafele lọt 315.06.752 thuộc dòng: Metalla SM
Loại bản lề: bản lề bật có chức năng giảm chấn
Dạng: Bản lề trùm nửa (cong)
Chất liệu: inox 304
Cơ cấu giảm chấn: pittong hơi bằng đồng
Hoàn thiện: màu inox bóng
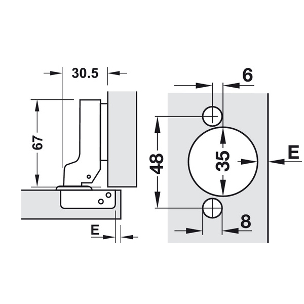
Kích thước khoan chén bản lề Ø 35
Khoảng cách hai lỗ vít bắt chén: 48
Bắt vào đế bản lề dạng lắp gài tháo lắp nhanh
Xuất xứ: Đức


