Bàn cầu một khối kèm nắp rửa điện tử WASHLET dóng S7
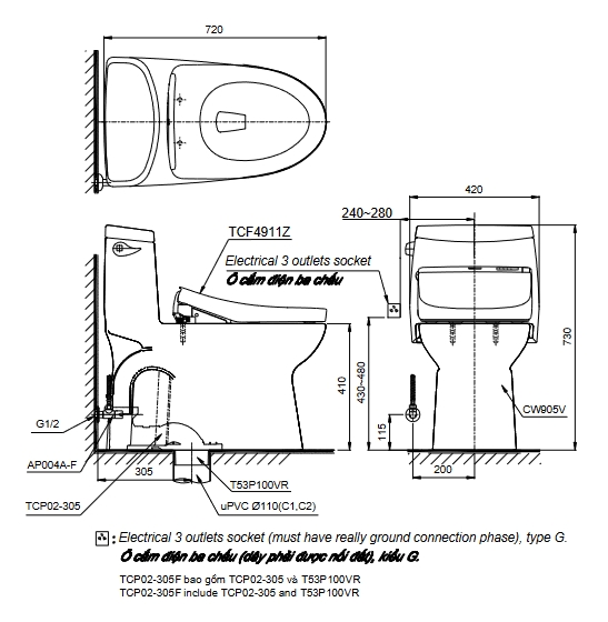
Kích thước: 720D x 420W x 730H mm
Màu sắc: Trắng
Hệ thống xả: Tornado
Lượng nước xả: 4.8L
Thiết kế: Thân dài, thân kín
Tâm xả: 305 mm
Áp lực nước: 0.05 ~ 0.70 MPa
Nguồn điện: 220V, 50/60Hz
Lưu ý: Bao gồm bích nối sàn, van dừng
Tính năng
• Men sứ chống dính, chống bám bẩn CEFIONTECT
• Hệ thống xả Tornado siêu mạnh, siêu êm, tiết kiệm nước
• Nắp đóng/ mở tự động
• Công nghệ nước điện phân khử khuẩn Ewater+ (Phun tráng lòng bàn cầu và vệ sinh vòi rửa)
• Vòi rửa massage đa chức năng, rửa sạch, êm ái
• Chế độ đưa bọt khí vào giọt nước
• Tự vệ sinh vòi rửa trước và sau khi sử dụng
• Sấy khô, khử mùi, sưởi ấm nắp ngồi


