Bàn cầu 01 khối Simply Modish (Nắp điện tử C9208 AC 220V)
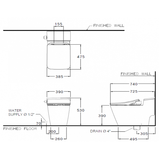
Thân dài, S Trap (305 mm)
KT: 390 x 725 x 530 mm
Xả V- Silent , xả Gạt 4.8L
Bao gồm van khóa, đế cầu
Công nghệ xả rửa mạnh mẽ, cuốn trôi mọi vết bẩn
Công nghệ kháng khuẩn Ultra Clean+ ức chế sự phát triển của vi khuẩn lên đến 99% trong 24h và bề mặt bóng mịn.
Thoải mái khi sự dụng kích cỡ tiện lợi nắp ngồi dễ chịu
Thiết kế thông minh: Tối giản những góc cạnh, giúp dể dàng vệ sinh
Tiết kiệm nước
Thân thiện với môi trường
Xuất xứ: Thái Lan



