Bồn Cầu Treo Tường COTTO: Đỉnh Cao Tối Giản, Giải Pháp Hoàn Hảo Cho Không Gian Hiện Đại
Bạn đang tìm kiếm một thiết bị không chỉ mang lại vẻ đẹp đẳng cấp cho phòng tắm mà còn phải đảm bảo khả năng tối ưu không gian và vệ sinh dễ dàng? Bồn cầu COTTO SC198817(F) chính là sự lựa chọn hoàn hảo đến từ thương hiệu thiết bị vệ sinh uy tín hàng đầu Thái Lan, kết hợp giữa lối thiết kế giấu tường tinh tế và công nghệ xả rửa mạnh mẽ, mang lại trải nghiệm thư giãn và an tâm bậc nhất.
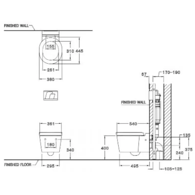
Thông Số Kỹ Thuật Chi Tiết Của Bồn Cầu Cotto SC198817(F):
- Tên sản phẩm: Bồn cầu Cotto SC198817(F).
- Model: SC198817(F).
- Chất liệu: Sứ Ceramic.
- Bề mặt: Công nghệ Men Hygienic và Ultra Clean.
- Kích thước: 380 x 540 x 400 mm (Xem chi tiết ở phần hướng dẫn lắp đặt).
- Kiểu: Sang trọng, hiện đại.
- Hệ thống xả: Siphon.
- Kiểu xả: Nhấn.
- Kiểu thoát: Thoát ngang (xả vào tường).
- Phù hợp với mọi công trình.
- Lắp đặt: Treo tường.

Bồn cầu COTTO SC198817(F) treo tường thoát ngang
Xuất Xứ Cotto SC198817(F):
- Thương hiệu: Cotto.
- Công nghệ: Thái Lan.
- Phân phối: Pimisi.
Ưu Điểm Nổi Bật Của Bồn Cầu Thông Minh Cotto SC198817(F):
- Thiết kế treo tường tối giản: Thân cầu được nhấc bổng khỏi mặt sàn và két nước giấu kín trong tường, giúp giải phóng diện tích sàn, tạo cảm giác phòng tắm rộng rãi và thoáng đãng hơn.
- Công nghệ men sứ kháng khuẩn: Bồn cầu treo tường ứng dụng lớp men cao cấp giúp bề mặt bồn cầu luôn sáng bóng, ngăn chặn hiệu quả sự tích tụ của vi khuẩn, nấm mốc và hạn chế tối đa các vết ố vàng.
- Hệ thống xả mạnh mẽ và êm ái: Thiết kế đường xả tối ưu kết hợp cùng áp lực nước từ két âm tường giúp cuốn trôi mọi vết bẩn nhanh chóng mà không gây tiếng ồn khó chịu.
- Vận hành chắc chắn: Hệ thống khung đỡ âm tường và bản lề nắp đậy được chế tác bền bỉ, đảm bảo bồn cầu luôn ổn định, không bị xô lệch hay rung lắc trong suốt quá trình sử dụng.
- Điều chỉnh độ cao linh hoạt: Khác với bồn cầu đặt sàn, dòng treo tường cho phép tùy chỉnh độ cao lắp đặt phù hợp với vóc dáng của gia chủ trong lúc thi công.
Lợi Ích Thực Tế Khi Sở Hữu Bồn Cầu Cotto Treo Tường SC198817(F):
- Thẩm mỹ đẳng cấp: Nâng tầm phòng tắm thành không gian kiến trúc hiện đại, sang trọng theo tiêu chuẩn của các resort và khách sạn cao cấp.
- Vệ sinh nhàn nhã: Việc không có chân đế tiếp xúc với sàn nhà giúp bạn dễ dàng lau chùi toàn bộ khu vực sàn phòng tắm, loại bỏ hoàn toàn các góc chết tích tụ bụi bẩn.
- Tiết kiệm diện tích: Giải pháp lý tưởng cho những phòng tắm có diện tích hạn chế hoặc gia chủ yêu thích phong cách tối giản (Minimalism).
- An toàn sức khỏe: Lớp men kháng khuẩn và khả năng vệ sinh sàn nhà triệt để giúp bảo vệ gia đình khỏi các tác nhân gây hại, giữ cho không gian luôn trong lành.
- Linh hoạt lựa chọn: Dễ dàng kết hợp với các loại mặt nạ nút nhấn đa dạng màu sắc để tạo điểm nhấn riêng biệt cho không gian.
- Đầu tư bền vững: Bồn cầu Cotto treo tường sở hưu chất lượng sứ và linh kiện két nước âm tường chuẩn quốc tế đảm bảo hệ thống vận hành ổn định, bền bỉ suốt hàng chục năm.
Hướng Dẫn Lắp Đặt Bàn Cầu Treo SC198817(F):
- Bạn nên tham khảo kỹ kích thước chi tiết trước khi đặt hàng, để quá trình lắp đặt dễ dàng, đúng với thiết kế (xem chi tiết ở phần hình ảnh).
- Mọi thông số kỹ thuật bàn cầu treo SC198817(F) tiện nghi mang tính khách quan có thể có sai số của công cụ đo lường.

Hướng Dẫn Lắp Đặt Bàn Cầu Treo SC198817(F)
+ Bạn chưa biết bồn cầu Cotto SC198817(F) có phù hợp với phòng tắm nhà Bạn và có dễ lắp đặt không?
+ Bạn yên tâm nhé!
+ Đội ngũ của shop luôn sẵn sàng hỗ trợ bạn.
Báo Giá Bồn Cầu Sang Trọng Cotto SC198817(F) Chính Hãng Ở Đâu Rẻ Nhất – Tốt Nhất?
- Chúng tôi là đơn vị phân phối chính hãng sản phẩm bồn cầu Cotto SC198817(F) nói riêng và phân phối thiết bị nhà tắm COTTO nói chung tại Hà Nội (HN) và các tỉnh lân cận.
- Luôn có sự kết hợp chặt chẽ giữa khách hàng, nhà máy sản xuất, cùng các phòng ban khác để đưa ra các sản phẩm phù hợp, ghi nhận ý kiến từ người dùng để tăng thêm trải nghiệm ngày càng tốt hơn.
- Luôn có chính sách mua hàng – giao hàng – bảo trì tối ưu và hợp lý nhất đến tay khách hàng, đảm bảo mọi quyền lợi cho các bên.
- Để đáp lại sự tin tưởng, cũng như ủng hộ của Quý Khách Hàng, bên mình cũng đưa ra các chương trình khuyến mại với giá bồn cầu sang trọng Cotto SC198817(F) ưu đãi, tri ân khách hàng đã và sắp tới ủng hộ công ty, cùng xây dựng thương hiệu uy tín trong lòng Quý Khách Hàng.
- Đến với bên mình khách hàng dễ dàng đặt niềm tin bền vững, khi bên mình có địa chỉ showroom rõ ràng hoạt động gần 15 năm, phục vụ hàng triệu khách hàng từ hộ gia đình đến các công ty xây dựng.
- Với niềm tin đó bên mình đưa đến tay người tiêu dùng xí bệt cho WC sang trọng Cotto SC198817(F) chính hãng mang thương hiệu Thái Lan với giá hợp lý nhất, giá rẻ nhất.
- Cuối cùng nhưng không kém phần quan trọng, nếu Bạn có bất kỳ câu hỏi nào, vui lòng liên hệ với Pimisi, Pimisi luôn sẵn lòng phục vụ Bạn.








