Bồn Cầu Thông Minh Inax AC-900R/CW-H18VN: Trải Nghiệm Tiện Nghi Đẳng Cấp Cho Phòng Tắm Hiện Đại
Bạn đang tìm kiếm một chiếc bồn cầu một khối không chỉ sở hữu thiết kế đẳng cấp mà còn tích hợp các công nghệ thông minh để nâng cao chất lượng cuộc sống? Inax AC-900R kết hợp với nắp điện tử CW-H18VN chính là giải pháp hoàn hảo đến từ thương hiệu thiết bị vệ sinh uy tín từ Nhật Bản Inax. Sản phẩm này mang đến sự sang trọng, vệ sinh và tiện nghi tối đa, xứng đáng là một khoản đầu tư bền vững cho ngôi nhà của bạn.
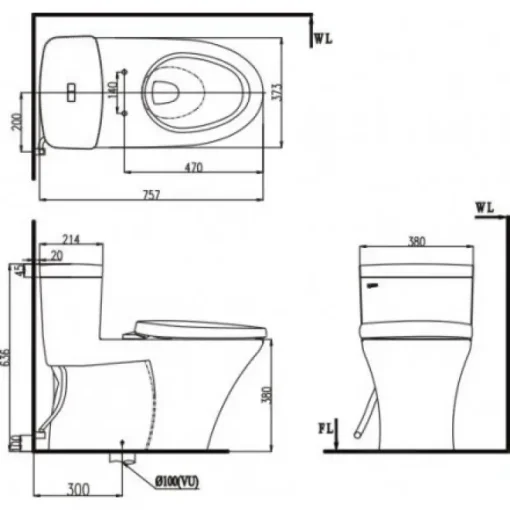
Thông Số Kỹ Thuật Chi Tiết Của Bồn Cầu Thông Minh Inax AC-900R/CW-H18VN:
- Tên sản phẩm: Bồn cầu thông minh Inax AC-900R/CW-H18VN.
- Model: Inax AC-900R/CW-H18VN.
- Kích thước bồn cầu: 757 x 380 x 636 mm.
- Kích thước nắp: 536 x 472 x 173 mm.
- Hệ thống xả: Xả nhấn 2 mức nước 5.0L/3.5L.
- Tâm thoát: 305 mm.
- Áp suất nước cấp: 0.06 – 0.75MPa.
- Nguồn điện: AC 220V, 336W, 50Hz.
- Phụ kiện đi kèm: Bao gồm ống nối sàn và van khóa nước.
- Lắp đặt: Sàn.

Bồn cầu thông minh Inax AC-900R/CW-H18VN
Xuất Xứ Inax AC-900R/CW-H18VN:
- Thương hiệu: Inax.
- Công nghệ: Nhật Bản.
- Sản xuất: Việt Nam.
- Phân phối: Pimisi.
Ưu Điểm Nổi Bật Của Bàn Cầu Một Khối Inax AC-900R/CW-H18VN:
- Công Nghệ Sứ Siêu Sạch và Kháng Khuẩn: Bồn cầu một khối Inax AC-900R/CW-H18VN ứng dụng công nghệ men sứ Aqua Ceramic giúp bề mặt luôn trắng sáng, chống bám bẩn vĩnh viễn. Vật liệu kháng khuẩn Ag+ trên bệ ngồi ngăn chặn hiệu quả sự phát triển của vi khuẩn. Sự kết hợp này mang lại môi trường vệ sinh sạch sẽ và an toàn tối đa cho người dùng.
- Tiện Nghi Cá Nhân Hóa Đáng Giá: Người dùng có thể tùy chỉnh chính xác trải nghiệm sử dụng với 3 mức điều chỉnh nhiệt độ nước và 3 mức điều chỉnh nhiệt độ bệ ngồi. Tính năng sấy khô ấm và khử mùi nhanh giúp hoàn tất quá trình vệ sinh một cách thoải mái nhất. Điều này nâng cao chất lượng cuộc sống hàng ngày.
- Thiết Kế Tinh Tế và Dễ Dàng Vệ Sinh: Thiết kế thân kín của bồn cầu một khối tạo nên sự liền mạch, sang trọng cho không gian phòng tắm. Bề mặt sứ trơn tru, không góc cạnh giúp việc lau chùi toàn bộ thân cầu trở nên vô cùng đơn giản và nhanh chóng. Điều này giúp tối giản hóa công sức bảo dưỡng định kỳ.
- An Toàn Điện Tuyệt Đối và Tiết Kiệm Năng Lượng: Bồn cầu thông minh Inax AC-900R/CW-H18VN được trang bị các thiết bị bảo vệ như Rơ le nhiệt và biến nhiệt chống rò rỉ điện. Cơ chế này đảm bảo an toàn tuyệt đối cho người dùng trong quá trình sử dụng điện. Sản phẩm còn tích hợp Siêu tiết kiệm điện thông minh, giảm thiểu chi phí năng lượng hàng tháng hiệu quả.
- Phun Rửa Chuyên Biệt và Kiểm Soát Thuận Tiện: Sản phẩm có hai vòi phun rửa đại tiện và tiểu tiện tách biệt (chuyên biệt cho phụ nữ). Bảng điều khiển gắn liền nắp được thiết kế ngay tầm tay, giúp người dùng dễ dàng thao tác. Điều này đảm bảo sự sạch sẽ tối ưu và mang lại sự thuận tiện vượt trội khi sử dụng.
Lợi Ích Thực Tế Khi Sử Dụng Xí Bệt Inax AC-900R/CW-H18VN:
- Nâng Tầm Cuộc Sống: Biến phòng tắm thành một không gian tiện nghi, sang trọng, thể hiện phong cách sống hiện đại.
- Bảo Vệ Sức Khỏe Gia Đình: Nắp rửa điện tử giúp việc vệ sinh cá nhân sạch sẽ hơn, ngăn ngừa vi khuẩn và các bệnh liên quan.
- Đầu Tư Bền Vững: Sản phẩm là sự kết hợp giữa công nghệ cao cấp và thiết kế đẳng cấp, cùng với chính sách bảo hành uy tín.
- Tiết Kiệm Chi Phí Sinh Hoạt Bền Vững: Hệ thống xả 2 mức 5.0L/3.5L giúp tối ưu hóa lượng nước tiêu thụ. Kết hợp với chế độ Siêu tiết kiệm điện, sản phẩm giúp giảm đáng kể chi phí hàng tháng.
- An Toàn và Thoải Mái Tối Đa: Xí bệt Inax AC-900R/CW-H18VN bao gồm các thiết bị bảo vệ như Rơ le nhiệt chống rò rỉ điện đảm bảo an toàn tuyệt đối. Đồng thời chức năng sưởi ấm bệ ngồi mang lại cảm giác dễ chịu.
Hướng Dẫn Lắp Đặt Bàn Cầu Thân Kín Inax AC-900R/CW-H18VN:
- Bạn nên tham khảo kỹ kích thước chi tiết trước khi đặt hàng, để quá trình lắp đặt dễ dàng, đúng với thiết kế (xem chi tiết ở phần hình ảnh).
- Mọi thông số kỹ thuật bàn cầu thân kín Inax AC-900R/CW-H18VN mang tính khách quan có thể có sai số của công cụ đo lường.

Hướng Dẫn Lắp Đặt Bàn Cầu Thân Kín Inax AC-900R/CW-H18VN
+ Bạn chưa biết bồn cầu thông minh Inax AC-900R/CW-H18VN có phù hợp với phòng tắm nhà Bạn và có dễ lắp đặt không?
+ Bạn yên tâm nhé!
+ Đội ngũ của shop luôn sẵn sàng hỗ trợ bạn.
Báo Giá Xí Bệt Nắp Điện Tử Inax AC-900R/CW-H18VN Chính Hãng Ở Đâu Rẻ Nhất – Tốt Nhất?
- Chúng tôi là đơn vị phân phối chính hãng sản phẩm bồn cầu thông minh Inax AC-900R/CW-H18VN nói riêng và phân phối thiết bị nhà tắm INAX nói chung tại Hà Nội (HN) và các tỉnh lân cận.
- Luôn có sự kết hợp chặt chẽ giữa khách hàng, nhà máy sản xuất, cùng các phòng ban khác để đưa ra các sản phẩm phù hợp, ghi nhận ý kiến từ người dùng để tăng thêm trải nghiệm ngày càng tốt hơn.
- Luôn có chính sách mua hàng – giao hàng – bảo trì tối ưu và hợp lý nhất đến tay khách hàng, đảm bảo mọi quyền lợi cho các bên.
- Để đáp lại sự tin tưởng, cũng như ủng hộ của Quý Khách Hàng, bên mình cũng đưa ra các chương trình khuyến mại với giá xí bệt nắp điện tử Inax AC-900R/CW-H18VN ưu đãi, tri ân khách hàng đã và sắp tới ủng hộ công ty, cùng xây dựng thương hiệu uy tín trong lòng Quý Khách Hàng.
- Đến với bên mình khách hàng dễ dàng đặt niềm tin bền vững, khi bên mình có địa chỉ showroom rõ ràng hoạt động gần 15 năm, phục vụ hàng triệu khách hàng từ hộ gia đình đến các công ty xây dựng.
- Với niềm tin đó bên mình đưa đến tay người tiêu dùng bệt xí không chạm cho nhà vệ sinh Inax AC-900R/CW-H18VN chính hãng mang thương hiệu Nhật Bản với giá hợp lý nhất, giá rẻ nhất.
- Cuối cùng nhưng không kém phần quan trọng, nếu Bạn có bất kỳ câu hỏi nào, vui lòng liên hệ với Pimisi, Pimisi luôn sẵn lòng phục vụ Bạn.












