Hệ thống xả: Tornado
Lượng xả: 4.5/3 L
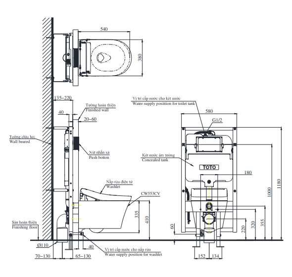
Tâm xả: 220 mm (Thoát ngang)
Kiểu dáng: Thân chữ D, thân kín, giấu dây
Kích thước: 540D x 380W x 335H mm
Áp lực nước: 0.05 ~ 0.75 Mpa
Két nước: WH172AAT
Nắp rửa điện tử WASHLET: TCF34370GAA
Tính năng
• Thiết kế giấu dây tinh tế, thẩm mỹ.
• Men sứ chống dính, chống bám bẩn CEFIONTECT
• Hệ thống xả xoáy Tornado siêu mạnh, siêu êm, tiết kiệm nước
• Thiết kế vành kín dễ dàng vệ sinh, luôn giữ sạch sẽ
• Làm sạch vòi rửa bằng nước điện phân khử trùng EWATER+ trước và sau khi sử dụng
• Phun sương lòng bàn cầu trước khi sử dụng
• Vòi rửa massage đa chức năng: rửa trước, rửa sau, rửa áp lực và rửa dịch chuyển êm ái, sạch sẽ.
• Tự vệ sinh vòi rửa trước và sau khi sử dụng.


