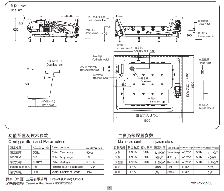
Kích thước: 1800x1500x630mm
Chất liệu: Acrylic (Chịu nhiệt tốt, độ bền cao, chống trầy xước, chống tia UV)
Bảng điều khiển cảm ứng BTU 3.0
Chức năng: Sục khí và sục thủy lực, đèn Led RGB,
Thoát tràn: Có
Màu sắc: Trắng
Phụ kiện: Vòi thác cấp nước, gối tựa cao su non, khung đỡ inox
Xuất xứ
Hãng sản xuất: Bravat
Công nghệ: Đức
Xuất xứ: Chính hãng





