Lavabo Treo Kèm Chân Dài COTTO: Vẻ Đẹp Vững Chãi, Sang Trọng Và Tinh Tế
Bạn đang muốn tìm kiếm một mẫu chậu rửa mặt treo tường không chỉ đáp ứng nhu cầu vệ sinh cơ bản mà còn phải che đi hệ thống đường ống nước rườm rà, tạo cảm giác liền mạch và vững chãi cho phòng tắm? Chậu lavabo Cotto C014/C411 chính là sự lựa chọn hoàn hảo đến từ thương hiệu thiết bị vệ sinh uy tín Thái Lan. Sản phẩm là sự kết hợp giữa chậu treo tường hiện đại và phần chân đứng truyền thống, mang lại vẻ đẹp hài hòa, đầy đặn cho không gian.
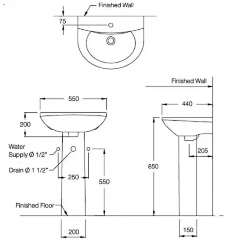
Thông Số Kỹ Thuật Chi Tiết Của Chậu Lavabo Cotto C014/C411:
- Tên sản phẩm: Chậu lavabo Cotto C014/C411.
- Model: C014/C411.
- Chất liệu: Sứ Ceramic.
- Bề mặt: Sáng bóng.
- Kích thước: 440 x 550 x 850 mm (Xem chi tiết ở phần hướng dẫn lắp đặt).
- Dòng sản phẩm: Wendy.
- Kiểu: Chân đứng.
- Công nghệ: Hygienic Easy Clean (chống bám bẩn. kháng khuẩn).
- Bề mặt men sứ: Nano bạc (Ag+) và Zirconium (dễ vệ sinh).
- Lắp đặt: Treo tường.

Chậu lavabo COTTO C014/C411 Wendy chân dài
Xuất Xứ Cotto C014 C411:
- Thương hiệu: Cotto.
- Công nghệ: Thái Lan.
- Phân phối: Pimisi.
Ưu Điểm Nổi Bật Của Chậu Rửa Mặt Treo Tường Cotto C014 /C411:
- Thẩm mỹ liền mạch, che khuyết điểm: Phần chân dài bằng sứ bao bọc toàn bộ đường ống thải (xi-phông) từ đáy chậu xuống sàn nhà, giúp che đi các chi tiết kỹ thuật thô kệch, mang lại vẻ ngoài gọn gàng và sạch sẽ tuyệt đối.
- Kết cấu vững chãi, an toàn: Khác với chậu treo thông thường chỉ chịu lực bằng ốc vít, phần chân dài đóng vai trò như một cột trụ hỗ trợ chịu tải trọng cho chậu, giúp sản phẩm thêm phần chắc chắn và an toàn khi người dùng tỳ tay lên.
- Công nghệ men sứ Hygienic vượt trội: Chậu rửa lavabo COTTO được tráng lớp men siêu mịn, chống bám bẩn và ngăn ngừa vi khuẩn tích tụ, giúp bề mặt sứ luôn sáng bóng mà không cần sử dụng hóa chất tẩy rửa mạnh.
- Thiết kế hài hòa, cổ điển: Kiểu dáng chân đứng tạo cảm giác đầy đặn cho không gian, rất phù hợp với các phòng tắm mang phong cách tân cổ điển hoặc những gia chủ yêu thích sự chắc chắn, truyền thống.
- Lòng chậu sâu và rộng: Thiết kế lòng chậu được tối ưu hóa để chứa lượng nước đủ dùng, hạn chế tình trạng nước bắn ra sàn nhà, giữ cho khu vực chân chậu luôn khô ráo.
Lợi Ích Thực Tế Khi Sở Hữu Lavabo Treo Cotto C014-C411:
- Thẩm mỹ hoàn hảo: Chậu rửa Cotto treo tường che giấu toàn bộ đường ống nước, tạo khối thống nhất.
- Vận hành vững chãi: Chân sứ hỗ trợ lực, giảm tải cho tường, tăng độ bền.
- Dễ dàng vệ sinh: Bề mặt men trơn láng, chân sứ phẳng dễ lau chùi.
- Tiết kiệm chi phí: Giá thành hợp lý hơn so với tủ chậu, độ bền cao hơn chậu treo thường.
- Bảo vệ đường ống: Chân sứ giúp bảo vệ xi-phông khỏi tác động va đập bên ngoài.
- An toàn sức khỏe: Men kháng khuẩn bảo vệ gia đình khỏi mầm bệnh.
Hướng Dẫn Lắp Đặt Chậu Chân Đứng Cotto C014+C411:
- Bạn nên tham khảo kỹ kích thước chi tiết trước khi đặt hàng, để quá trình lắp đặt dễ dàng, đúng với thiết kế (xem chi tiết ở phần hình ảnh).
- Mọi thông số kỹ thuật chậu chân đứng Cotto C014+C411 mang tính khách quan có thể có sai số của công cụ đo lường.

Hướng Dẫn Lắp Đặt Chậu Chân Đứng Cotto C014+C411
+ Bạn chưa biết chậu lavabo Cotto C014/C411 có phù hợp với phòng tắm nhà Bạn và có dễ lắp đặt không?
+ Bạn yên tâm nhé!
+ Đội ngũ của shop luôn sẵn sàng hỗ trợ bạn.
Báo Giá Chậu Rửa Mặt Lavabo COTTO Hà Nội Chính Hãng Ở Đâu Rẻ Nhất – Tốt Nhất?
- Chúng tôi là đơn vị phân phối chính hãng sản phẩm chậu lavabo Cotto C014/C411 nói riêng và phân phối thiết bị nhà tắm COTTO nói chung tại Hà Nội (HN) và các tỉnh lân cận.
- Luôn có sự kết hợp chặt chẽ giữa khách hàng, nhà máy sản xuất, cùng các phòng ban khác để đưa ra các sản phẩm phù hợp, ghi nhận ý kiến từ người dùng để tăng thêm trải nghiệm ngày càng tốt hơn.
- Luôn có chính sách mua hàng – giao hàng – bảo trì tối ưu và hợp lý nhất đến tay khách hàng, đảm bảo mọi quyền lợi cho các bên.
- Để đáp lại sự tin tưởng, cũng như ủng hộ của Quý Khách Hàng, bên mình cũng đưa ra các chương trình khuyến mại với giá chậu rửa mặt lavabo COTTO Hà Nội chính hãng ưu đãi, tri ân khách hàng đã và sắp tới ủng hộ công ty, cùng xây dựng thương hiệu uy tín trong lòng Quý Khách Hàng.
- Đến với bên mình khách hàng dễ dàng đặt niềm tin bền vững, khi bên mình có địa chỉ showroom rõ ràng hoạt động gần 15 năm, phục vụ hàng triệu khách hàng từ hộ gia đình đến các công ty xây dựng.
- Với niềm tin đó bên mình đưa đến tay người tiêu dùng bồn rửa mặt kháng khuẩn Cotto C014/C411 chính hãng mang thương hiệu Thái Lan với giá hợp lý nhất, giá rẻ nhất.
- Cuối cùng nhưng không kém phần quan trọng, nếu Bạn có bất kỳ câu hỏi nào, vui lòng liên hệ với Pimisi, Pimisi luôn sẵn lòng phục vụ Bạn.












