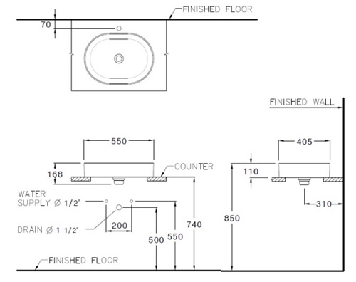
Kích thước: 550 x 400 x 180mm
Loại chậu rửa lavabo thả bàn
Màu sắc: Trắng
Chậu rửa Cotto dễ dàng lắp đặt và tiết kiệm không gian
Men sứ chất lượng cao, giúp dễ dàng vệ sinh sau khi sử dụng
Lưu ý: Không dùng hóa chất có tính axit mạnh để vệ sinh chậu
Hãng sản xuất: COTTO















