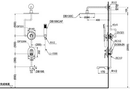
Sen tắm âm tường Toto DB130C-DP331-DP328N-DV32
Sen tắm nóng lạnh âm tường NYMPHEAS SERIES
Chất liệu: Đồng mạ Crom
Áp lực nước: 0.05 Mpa – 0.75 Mpa
Áp lực nước: 0.05 Mpa – 0.75 Mpa
Sản phẩm bao gồm:
– Bát sen gắn tường
– Tay sen gắn tường
– Bộ điều chỉnh gắn tường
– Vòi xả phụ gắn tường
Hãng sản xuất: Toto
Xuất xứ: Toto China










