Lưu lượng nước: 2L/phút
Áp lực nước: 0.05 ~ 0.75 MPa
Mạ chrome bóng
Lưu ý: Sản phẩm chưa bao gồm các mã phụ kiện
• Bộ điều khiển: TLE01502A1, TLE03502A1, TLE04502A1
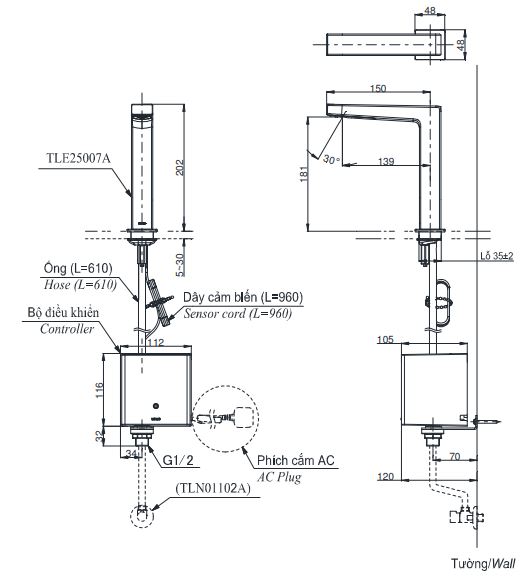
• Van dừng – dây cấp: TLN01102A, TLN01103A
• Van nhiệt độ: TLE05701A
• Cần sử dụng với dung dịch xà phòng theo khuyến cáo của TOTO
Tính năng
• Sản phẩm không chạm – Đảm bảo vệ sinh sạch sẽ
• Cảm biến được đặt bên dưới đầu vòi để phát hiện người dùng chính xác hơn
• Công nghệ SELF POWER: Nguồn điện tự tạo giúp tiết kiệm điện (Bộ điều khiển: TLE03502A1)
• Công nghệ ECO CAP: Đầu vòi tạo bọt tiết kiệm nước
Công nghệ sản xuất: Nhật Bản









